Моддинг

  • Автор теми mgm
  • Дата створення

Z3RG

Забанен
dantelu, спасибо. Но полировать оргстекло пробовал... если на станку каком-то, то оно плавиться начинает. А мне это не нужно. Потому пока что буду довольствоваться тем, что есть.

Оргстекло полируется легко. Обыкновенным войлочным кругом (чистым, без пасты ГОИ, круг не жёсткий) на электроточиле. То ты пережал его, что он от трения потек... Его надо легонько прижимать к войлоку. Я так тертые поворотники на мотыке реанимировал
 

cem

gott mit uns
подскажите где можно купить неоновые лампы
 

Z3RG

Забанен
Где (с чего снять) центробежный вентилятор (такой как на видеокартах )?
 

Z3RG

Забанен
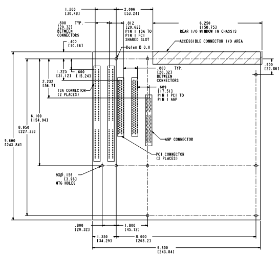
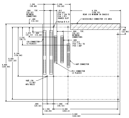
Та проектирую корпус самопальный на завалявшуюся КМ-400М2 "десктоп" (для сервера и файлопомойки) да потоньше. Но титановский кулер(тот который алюминиевый с медной пяткой) очень высокий, хочу поставить центробежный на крышке, чтоб часть воздушного потока отводило и на винчестер. Пока нашел спецификации на microAТХ и разъемов PCI думал чокнусть. Теперь вот ищу спецификацию на платы для АТХ б/п
П.С. Кому надо спецификации, выложил в аттаче.

Хотя неплохо б было прикупить что-то типа
You must be registered for see images

You must be registered for see images

You must be registered for see images
 

Вкладення

Останнє редагування:

Salve

Модератор
Модератор
А че за видеокарта?
Может срезать радиатор от 462 или 478 и чуть более рассеяным потоком воздуха (но вместо, например 80мм поставить 92мм - тишина + больше дует) обдувать?
Если что-то вроде 9550 радика, то хватит даже "рассеяного потока"
 

Z3RG

Забанен
Ты ничего не понял :). Мне надо сделать десктоп-корпус, в котором будет стоять ECS KM-400M2 с инт. видео. Все это + винчестер + *nix = http/ftp/smb-server+p2p-client. Это все должно занимать места по минимуму. Потому я хочу сделать так, как на эскизе
Вопрос решен - TTC-003 в компсервисе стоит 28 грн )
You must be registered for see images
 

Вкладення

Останнє редагування:

Z3RG

Забанен

Типа такого хочу, только не так брутально )
 

Salve

Модератор
Модератор
бловеры достаточно шумны;)
можно зачудить что-то подобное использовав пластик двойку, планку заднюю и клей\скотч (-:, вставить к примеру 80мм, чтоб всасывало лучше(-: + регулятор оборотов
 
Зверху