Безконтактное зажигание на JAWA кто нибудь делал?

BarOn

4 колеса - тело, 2 - душу
Бесконтактное второй сезон.
Ниразу не лазил.
Стоит датчик Холла :mrgreen::bananadance:

+ Перестал в дождь отказывать правый котел )))
Крыло обрезанное, брызги как раз фигачили в дно бака по катушкам и бронепровадам. Газелевской пох.

А, еще. Акуенный плюсище. На байк-фесте удивлял не искушенную толпу четырьмя передачами заднего хода, когда парковался :lol:
 

Kadett

Member
ето проблемы с зажиганием!!! она не должна заводится назад!!! постав оптику и проблема уйдет или проблема в самой пластине.
 
В общем решил я сделать 2 схемы из этих сайтов:

и


Для себя я решил что датчика должно быть 2, 1 -на правый цилиндр, 2- на левый,
2 коммутатора и родные катушки... (у родных катушек большое сопротивление и слабая искра, если их можно заменить на более лучшие то посоветуйте на какие..)

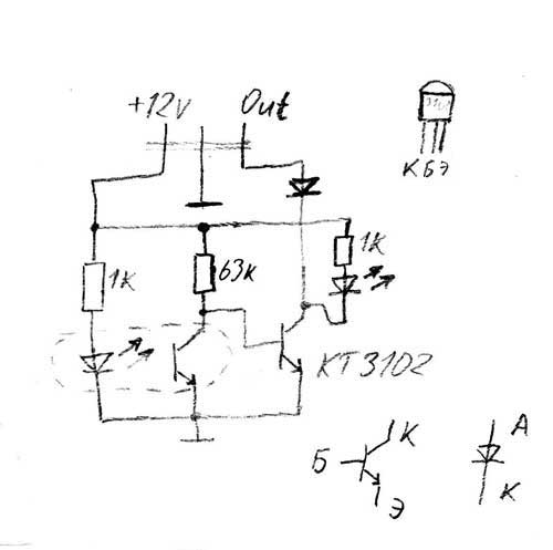
Сделал простую схему но с 2-я датчиками ( )
но в этой схеме есть один минус (в зависимости от освещения, прямо пропорциональна меняется напряжение на выход на комутатор.. то есть чем больше света попадает на фототранзистор тем меньше напряжения на входе..)
 

Вкладення

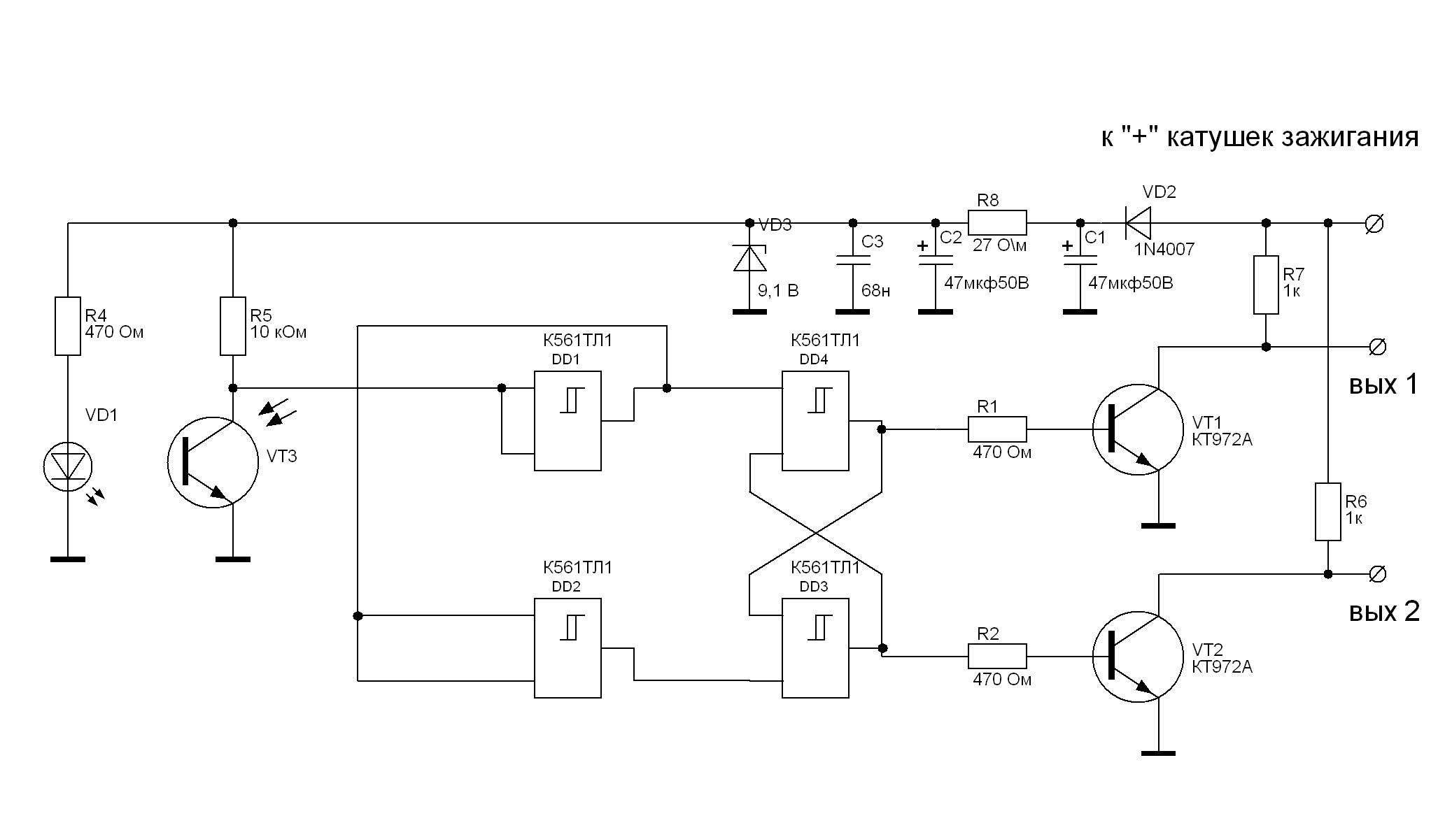
2-я схема.. чуточку посложнее...

в общем решил сюда добавить светодиоды для выставления и настройки зажигания...
1 рисунок - схема
2 рисунок - с одним датчиком
3 и 4 рисунок - с 2я датчиками, но вней 2 транзистора КТ 972 работают в холостую... но на один из них я хочу поставить электро тахометр.

Может кто то может подсказать где мона купить электро тахометр?????
И еще такой вопрос: фототранзисторы бывают разные.. какие лучше применить????
 

Вкладення

Kadett

Member
первая схема стоит, ток на одну катушку. заводится от 6 вольт. работает без перебоев.
 

BarOn

4 колеса - тело, 2 - душу
Нет предала в желании наших людей пое...ся.
Чем проще - тем надежнее. Зачем все эти примочки? :x
 

BarOn

4 колеса - тело, 2 - душу
ето проблемы с зажиганием!!! она не должна заводится назад!!! постав оптику и проблема уйдет или проблема в самой пластине.
Как-то не увидил сразу, что ответ был на мой пост.
Да, он не должен заводится назад. Да и не заводится, если заводить по нормальному, с желанием поездить по человечески - вперед.
Зажигание .

Секрет в легком тычке по лапке (что получается даже не с первого раза).
Зажигание (тобишь искра) все равно раньше ВМТ и (инерции тычка нехватает) - поехали в обратном ;)
Опережение стоит даже чуток меньше трёшки.

Все дело в кривых ногах :)
 
Зверху