Samsung SGH-X700

$hoсk

New Member
У меня маршрутка на Киев через 2 часа, так шо мне делать нечего... Создам тему!
Прошу всех владельцев Х700 делится инфой по этому телу
 

$hoсk

New Member
Народ, есть решение проблемы звука, без перепрошивки. Всё проста, сверлим дырки, там де показано на рисунке :D
You must be registered for see images attach
 
Останнє редагування:

$hoсk

New Member
На самом деле всё немного по-другому.
Инфу я взял от
1) Раскручиваем тело, для етого нада отвертка!! Часовая или можна проста взять напильник и обточить какую нить старую отвертку (нож непокатит, не тот случай :D )
You must be registered for see images attach
Рис 1

2) Посмотрим на Рис 2. На нём показано как снимать заднюю крышку. Главно снять её с двух захватов.
You must be registered for see images attach
Рис 2

3) Шаг 3 :) Теперь нам видны динамики(Рис 3), закрытые кожухом и шота типа каналов! Куул :D
You must be registered for see images attach
Рис 3.

Теперь втыкнём на крышку, на Рис 4, там отмечена зона, где нада дырявить ваш любимый х700, который так тихо востпроизводит МП3!!! Гад! Помоему понятно чё нада сверлить именно там, а не посредине корпуса, например!

You must be registered for see images attach
Рис 4.

Я сверлил ручной дрелью, сверлом дето 2 мм, отмечал где сверлить шилом, "кернил" :)
Дыры мона сверлить любые, главное шоб сквозные. Мона 2, как у меня, можно одну, можно кучу, тонким сверлом. Исход операции зависит только от вас и от того откуда и с какой кривизной ростут ваши руки...
Намекаю, дыры можно "подровнять" натфилем или сверлами большего размера (я ровнял свёрлами, натфили дета пропали)
Потом нада отормать масинький кусочек ткани от ваших старых чёрных штано, и приклеять супер клеем на дырки, изнутри :) шоб пыль непопадала.

Вроде всё, шо вспомню допишу.
Взавершение обьявляю эффект от всех усилий: телефон стал действилельно громче и чищё звучать! Второго я неожидал! Звук стал чётчё, не таким глухим!
Так что у кого тело не на гарантие и небоится разобрать свой Х700, ДЕРЗАЙТЕ!!!
 

$hoсk

New Member
Ну и ещё, на следующие выходные планирую покрасить тело. Если всё выйдет с меня фотки и ФАКЬЮ
Если хотите помочь узнайте скок стоят балончик краски и балончик лака и де купить. Буду премного благодарен! :cool:

Так же если кто то знает, как переделать кабель с Х100 под Х700
или норм схему для Х700, будем учится шитью :D
 
S

STRIKE

Guest
Слушай, а не проще купить панельку другого цвета? Или ты хочешь какой-то специфический цвет?
 

$hoсk

New Member
Я хочу что то необычное! (что то типа x-bоx style :D )
Я в нете нашел форум(адрес непомню) там фотки коммуникатора перекрашеного были! Просто бомба! Чёрный цвет и вскрыт лаком! это нада видеть!!! :bow:
 
Останнє редагування:

Splinter

Я сегодня не шучу
Я делал вот эту
You must be registered for see images
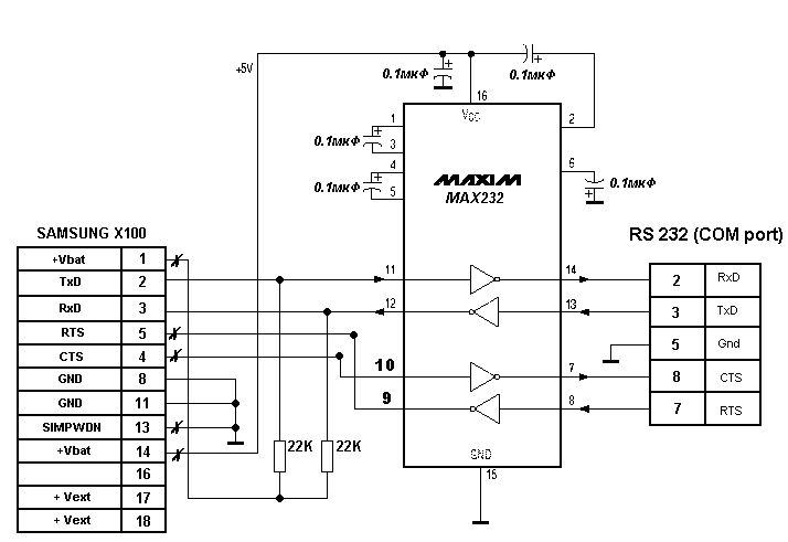
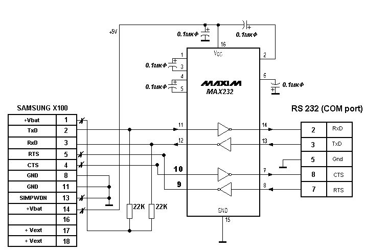
, прошивает, сливает дамп. Заодно даю схему и универсального кабеля для шитья/файлов и другие схемы.
 

Вкладення

$hoсk

New Member
Спасиба Splinter! :coolest:
А проши модифицированные у тебя есть?
У меня есть X700XEEK6_by_Omich и X700XEEK6 by Omich V2
Если у тебя есть что то ещё, выложи. Заранее спс
 

Nash83

New Member
Вот Вам адресок форума где есть много чего к самсунгу
 
Зверху